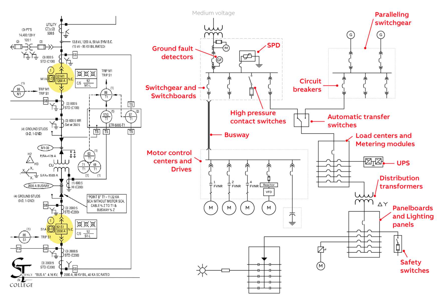
مخطط الخط الأحادي، ويُعرف أيضًا باسم الرسم أحادي الخط، هو رسم تخطيطي يستخدم لعرض نظام كهربائي ثلاثي الأطوار بطريقة مبسطة باستخدام خط واحد فقط لتمثيل جميع الأطوار الثلاثة. يُستخدم بشكل شائع في مراحل التصميم الأولى لأي مشروع كهربائي.
🎯 أهمية مخطط الخط الأحادي:
- يُعد المرجع الأساسي في كل الأعمال الكهربائية داخل المشروع.
- يُستخدم لتوضيح تسلسل المكونات الكهربائية والدوائر دون الدخول في تفاصيل عميقة مثل المخطط التفصيلي (Schematic Diagram).
- يُساعد في التخطيط، التركيب، الصيانة، والتحليل الكهربائي للنظام.
🔧 ما المعلومات التي يعرضها SLD؟
- ✅ مصادر الطاقة (مثل المولدات، الشبكة العامة).
- ✅ أجهزة ومعدات كهربائية (مثل المحولات، القواطع، الأحمال).
- ✅ تفاصيل النظام الكهربائي (مثل الأحمال، الكابلات، البارات).
- ✅ قيم الأعطال القصوى (Fault Levels).
- ✅ أجهزة الحماية (Relay، CT، PT).
- ✅ تأريض المغذيات (Earthing).
- ✅ موانع الصواعق (Surge Arrestors).
- ✅ التسميات الفنية للأجهزة.
🔍 **لماذا يسمى بـ “مخطط الخط الأحادي”؟
لأنه يستخدم خطًا واحدًا فقط لتمثيل النظام ثلاثي الأطوار بالكامل، بدلاً من رسم كل طور (R، Y، B) على حدة، لتسهيل الفهم والتحليل السريع.
🧰 الرموز القياسية في SLD:
يُستخدم في المخطط رموزًا قياسية عالمية لتمثيل كل من:
- المحولات
- القواطع (Circuit Breakers)
- الفيوزات
- مفاتيح العزل
- أجهزة القياس والتحكم
📋 أمثلة لما يجب أن يتضمنه SLD:
- مقاسات كابلات الدخول
- تفاصيل القواطع والتوصيلات
- نسب المحولات الجهدية والتيارية (CT/PT)
- أجهزة الوقاية (Relays)
- نظام التأريض
- الأسطورة (Legend) التي تشرح الرموز
- رموز وتسمية اللوحات والأجهزة
🏗️ أين يُستخدم SLD؟
- في محطات التوزيع
- في المصانع والمنشآت الصناعية
- في المباني التجارية والسكنية الكبرى
- في دراسات الأحمال وحماية الأنظمة
